P4549水暖床墊水泵(12v)
電壓: 12V
揚程: 0-2.2m
噪音: ≤25dB(A)
調速方式:
IP等級: IP55
功能: 缺水保護
介質溫度: 0-70℃
產品應用: | 產品特征: |
■水暖床墊 | ■重量:0.13Kg |
■水暖炕 | ■防護等級:IP55 |
| ■絕緣等級:F級 |
■使用壽命:20000小時 | |
|
|
使用條件: | 特點: |
■環(huán)境溫度:-25 ~ 70℃ | ■采用無刷電機,體積小 |
■介質溫度:0 ~ 70℃ | ■超靜音,噪音≤30dB |
■介質:清水 | ■低功耗,長壽命 |
| ■使用場所:室內 |
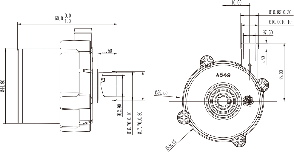
| 外觀尺寸: |
|
曲線圖: |
|
| 額定電壓 | 使用電壓范圍 | 額定電流 | 最大揚程 | 最大流量 | 額定功率 | 最大噪音 |
| V | V | A | m | L/min | W | dB(A) |
| 12 | 8-15 | 0.3 | 1.8 | 6 | 3.6 | ≤25 |
| 12 | 8-15 | 0.4 | 2.2 | 6.5 | 4.8 | ≤25 |




深鵬水泵-張先生
深鵬科技 - 張先生